91香蕉视频污在线I97超在线I久久国内精品视频I成人教育avI久久久久久片I怡红院avI91视频在线观看免费I精久久久久

武漢凱迪正大

全國免費服務熱線

400-027-3099
凱旋思想,啟迪新人生!

TRIUMPH THOUGHT,INSPIRE NEW LIFE!

當前位置當前位置:首頁 > 新聞中心 > 技術資料

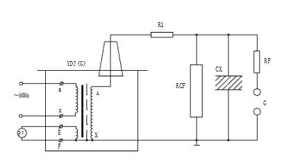
試驗變壓器接線原理圖

作者:凱迪正大股份來源:武漢凱迪正大電氣有限公司日期:2017-02-15 11:06:00閱讀:

 

    試驗變壓器是做交流耐壓試驗的常用設備。電力設備在運行中,絕緣長期受著電場、溫度和機械振動的作用會逐漸發生劣化,其中包括整體劣化和部分劣化,形成缺陷。交流耐壓試驗是鑒定電力設備絕緣強度最有效和最直接的方法,是預防性試驗的一項重要內容。此外,由于交流耐壓試驗電壓一般比運行電壓高,因此通過試驗后,設備有較大的安全裕度,因此交流耐壓試驗是保證電力設備安全運行的一種重要手段。
 
    試驗變壓器做交流耐壓試驗主要用于以下方面:
    1、6kV-500kV高壓交聯電纜 的交流耐壓試驗
    2、6kV-500kV變壓器 的工頻耐壓試驗
    3、GIS和SF6開關 的交流耐壓試驗
    4、發電機 的交流耐壓試驗
    5、其它電力高壓設備如母線,套管,互感器的交流耐壓試驗。
 
    試驗變壓器接線原理圖如下:
    CX – 被試品
    R1 – 限流電阻 工頻耐壓試驗中限流電阻R1應根據試驗變壓器的額定容量來選擇。如高壓側額定輸出電流在100 – 300mA時,可取0.5 - 1Ω∕ⅴ(試驗電壓);高壓側額定輸出電流為1A以上時,可取1Ω∕ⅴ(試驗電壓)。常用水電阻作為限流電阻,管子長度可按150KV∕m考慮,管子的粗細應具有足夠的熱容量(水阻液配制方法:用蒸餾水加入適量硫酸銅配制成各種不同的阻值)。
    RCF – 阻容分壓器 在工頻耐壓試驗中,低壓側測量電壓(儀表電壓)不是非常準確的,其原因是由于試驗變壓器存在著漏坑,在這上個漏抗上然存在著壓降或容升,使試品上的電壓低于或高于低壓側測量電壓表上反映出來的電壓。工頻耐壓試驗時,被試品上的電壓高于試驗變壓器的輸出電壓,也就是所謂容升現象。感應耐壓試驗時,試驗變壓器的漏抗須存在著壓降。為了準確測量被試品上所施加的電壓,因此常在高壓側接入RCF阻容分壓器來測量電壓
    RF – 球 間隙保護電阻
    G – 球間隙 球間隙及保護電阻:當電壓超過球間隙整定值時(一般取試驗電壓的110% - 120%)球間隙放電,對被試品起到保護作用。球間隙保護電阻可按1Ω∕ⅴ(試驗電壓)選取。

 

武漢凱迪正大公司