91香蕉视频污在线I97超在线I久久国内精品视频I成人教育avI久久久久久片I怡红院avI91视频在线观看免费I精久久久久

武漢凱迪正大

全國免費服務熱線

400-027-3099
凱旋思想,啟迪新人生!

TRIUMPH THOUGHT,INSPIRE NEW LIFE!

當前位置當前位置:首頁 > 新聞中心 > 技術資料

KDYDJ油浸式試驗變壓器的概述和原理

作者:胡明揚來源:武漢凱迪正大電氣有限公司日期:2021-09-03 10:35:11閱讀:

KDYDJ油浸式試驗變壓器的概述和原理

KDYDJ油浸式試驗變壓器的概述

KDYDJ油浸式試驗變壓器又稱升壓器,它是發電站、供配電系統及科研單位等廣大用戶的基本試驗設備,用于對各種電氣產品、電器元件、絕緣材料等進行規定電壓下的絕緣強度試驗,考核產品的絕緣水平,發現被試品的絕緣缺陷,衡量過電壓的能力。
產品型號:

KDYDJ油浸式試驗變壓器的原理
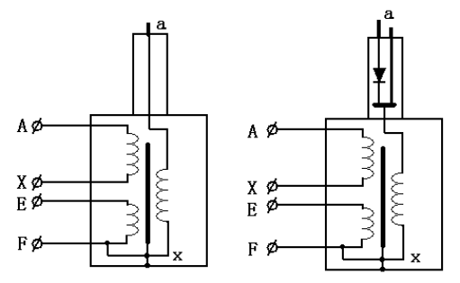
1、交流、交直流試驗變壓器:
    將工頻電源輸入操作箱(或操作臺),經自藕調壓器調節電壓輸入至試驗變壓器的初級繞組。根據電磁感應原理,在次級(高壓)繞組可獲得工頻高壓。此工頻高壓經高壓硅堆整流及電容濾波后可獲得直流高壓,其幅值是交流高壓有效值的1.4倍。只不過在使用直流時應抽出短路桿,在使用交流時,插入短路桿。
     交流試變原理圖          交直流試變原理圖
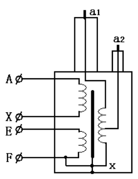
2、帶抽頭試驗變壓器:
為了同時滿足一個變壓器電壓較高電壓較小與電流較低電流較大之間的矛盾,將高壓繞組分成兩個來繞,一個是電流較大的繞組,另一個是電流較小的繞組,然后兩個繞組串接分別引出,原理示意圖如下:
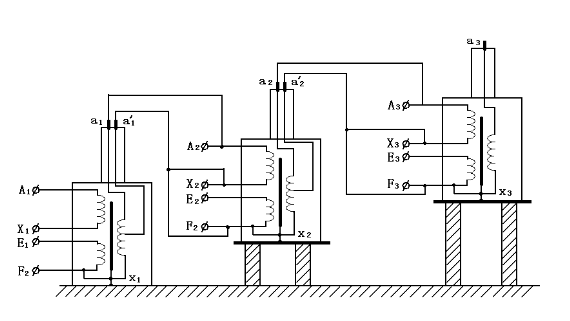
   3.串級試驗變壓器:
為了得到更高電壓的試驗變壓器,也可采用串級的方法獲得更高的電壓。圖二為三級串試驗變壓器的原理接線圖。其中三臺變壓器的容量和電壓關系滿足:P1=2P2=3P3,U(總)=U1+U2+U3S,
串級試變原理圖
武漢凱迪正大公司